Thanks guys.
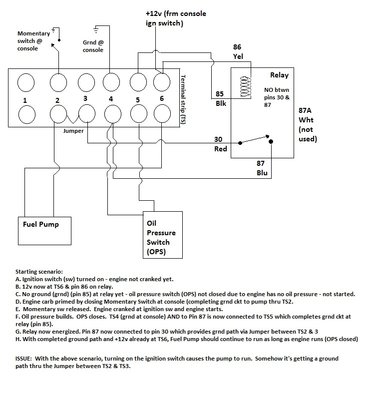
Busia - I had been advised that there's a requirement to have an oil pressure switch in place so that, if the engine dies AND the ignition switch is on (and it's left on...) the absence of oil pressure (engine stopped) would open the switch, breaking the ground circuit continuity, forcing the pump to stop.
Also, I had the relay in place, had the trouble of the pump running ("frustration, thou art a boat owner!") as soon as I threw the ignition switch to on (not cranking/engine running). Trouble shot that for hours - no luck.
Went to a scenario where (relay is NOT in use...)
a. had 12v pwr from ignition switch (TS6) to the pump.
b. TS2 went to the momentary switch (nothing else connected) and thru that switch, to ground
** At this point, throwing the momentary switch DID cause the pump to run.
c. Connected a wire from TS4 (which had a single wire running to common ground bar behind lower console) to one side of the oil pressure switch.
d. Connected a 2nd wire from TS5 to the other side of the oil pressure switch.
--> At this point, if the ignition is turned on, the pump does NOT run (and shouldn't as there's no ground path yet to the pump's neg lead (TS2)).
e. If I then put the Jumper in place between TS2 and TS4 (thus, in theory, when there's oil pressure, the contacts on OPS close and the ground circuit is then complete). turning on ignition sw (active only [+12v to pump], no cranking/engine not running - no oil pressure) the pump will run.
This is shot of the above with the following caveats...
The relay is shown, but not in use.
The +12v hot wire is on TS1. It was moved to TS6 as noted in 'a.' above.
NOTE - the marine grade rubber fuel line on the outlet side of the pump is replaces with 5/16" double flare copper tubing. Rubber just used for expediency. The inlet side has marine grade rubber hose in place.
--> checking continuity across the oil pressure sw - with the wires connected, shows continuity across the contacts!??? Pull the wires (or only 1 of the wires) off the OPS, that continuity goes away (ie - the switch is in it's normal NO mode - and since there's no oil pressure (engine not running / cranking) that's what you'd expect to see.
Seef158 - I'm at about that point. Thing is that I'd replaced the mechanical pump on starboard about 3 (?) years ago. The amount of run time wasn't very much (boat didn't get used last year at all). Don't know if just sitting can be as detrimental to a pump as long term use?? NAPA used to have the marine version, but no longer available. Crapshoot buying one off ebay. Need to check further.
Jeff - The wires are brand new and I've tested for a short to ground on all of them (except where the wire runs to ground - need to lift those contacts off ground buss bar and then check for short to ground. The wires for the OPS run from the OPS to the fuel pump board at the front of the engine. The fuel pump board is just that, an angled piece of 3/4" plywood where everything is mounted on the schematic. The board is secured to the battery ledge (ie. The mounting surface board is mounted to an angled (think right triangle) board. This board is then affixed to a flat board that's screwed into the battery ledge board.

- Fuel pump mounting board.jpg (18.42 KiB) Viewed 23509 times